返回
智德知识库
网站首页
美食营养
游戏数码
手工爱好
生活家居
健康养生
运动户外
职场理财
情感交际
母婴教育
时尚美容
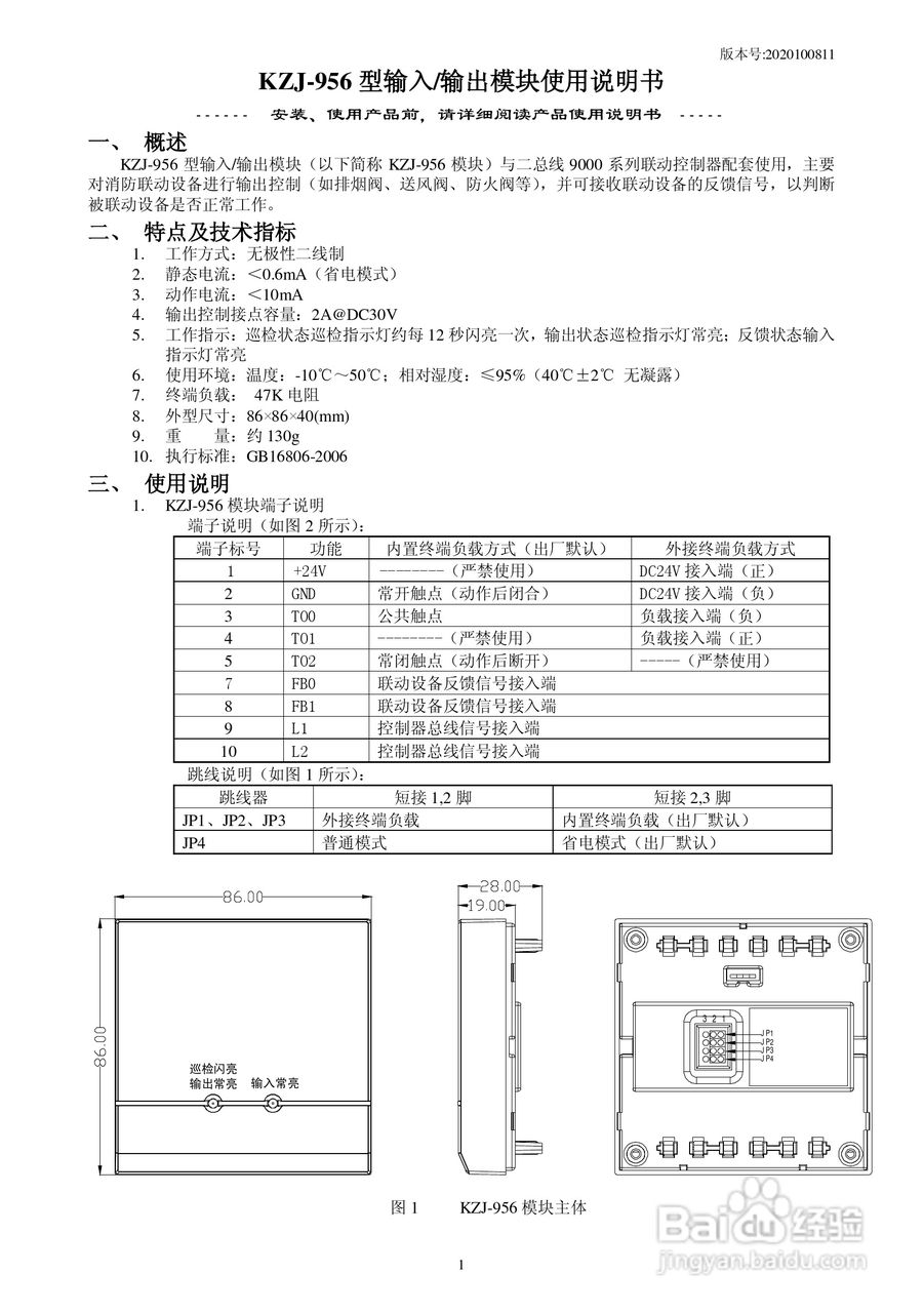
KZJ-956型输入输出模块使用说明书
时间:2024-11-11 23:34:30
如何判断2014款新飞度电瓶在自动充电
宝宝夏季护肤,有哪些?
2017出生的女宝宝取名 朱宝宝起名大全女孩
西葫芦猪肉饺子的家常做法
烂泥扶不上墙的3个生肖,一生过得窝囊
为你推荐:
什么是pdf格式
1900年是什么年
钝化是什么意思
嘎嘎是什么意思
什么水果养胃
狐狸在说什么
禀赋是什么意思
2009年是什么年
周深为什么是女声
谐星是什么意思
© 2025 智德知识库
信息来自网络 所有数据仅供参考
有疑问请联系站长 site.kefu@gmail.com