西门子变频调速柜SINAMICS G150使用说明书:[4]

时间:2024-10-13 13:37:59

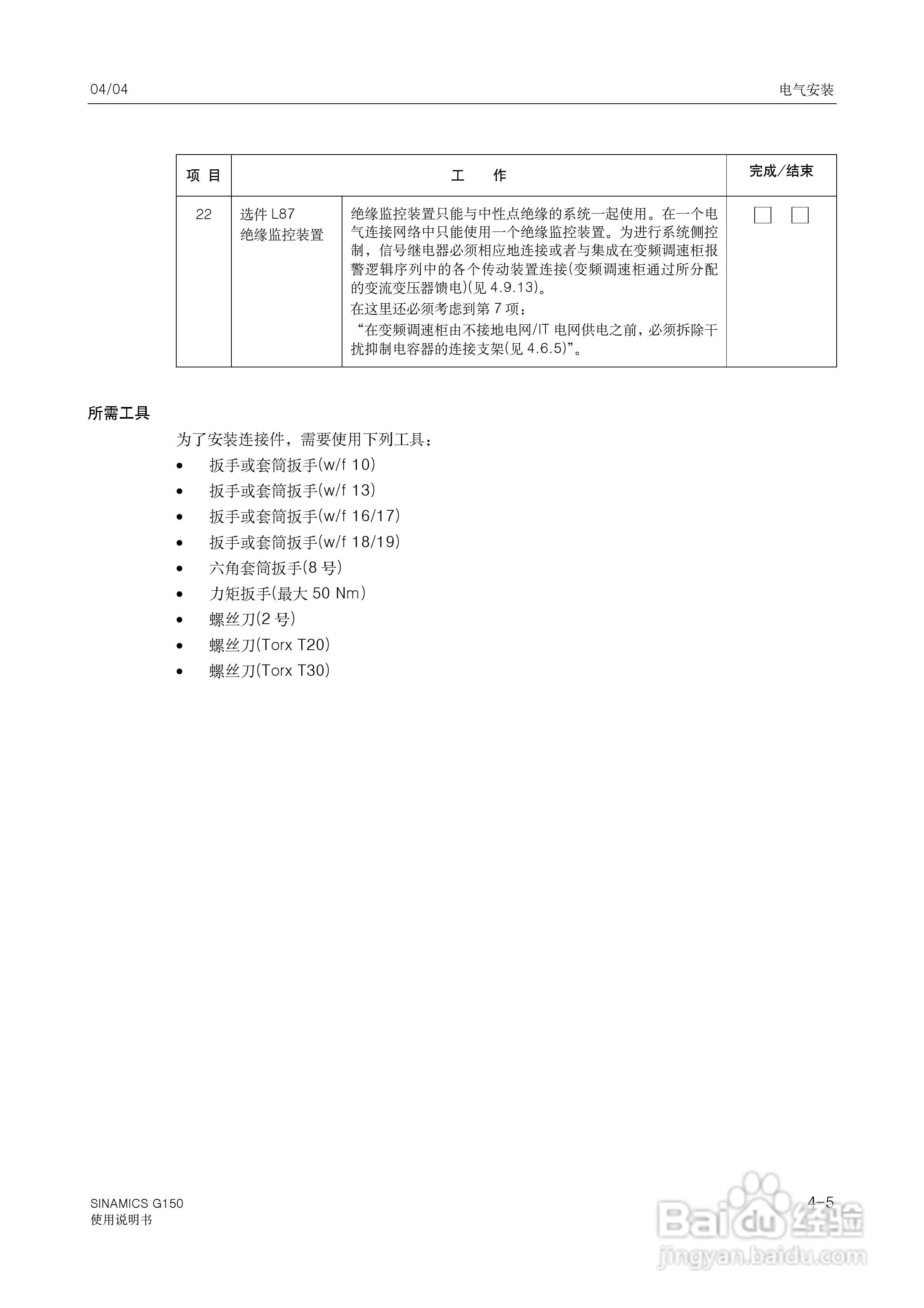
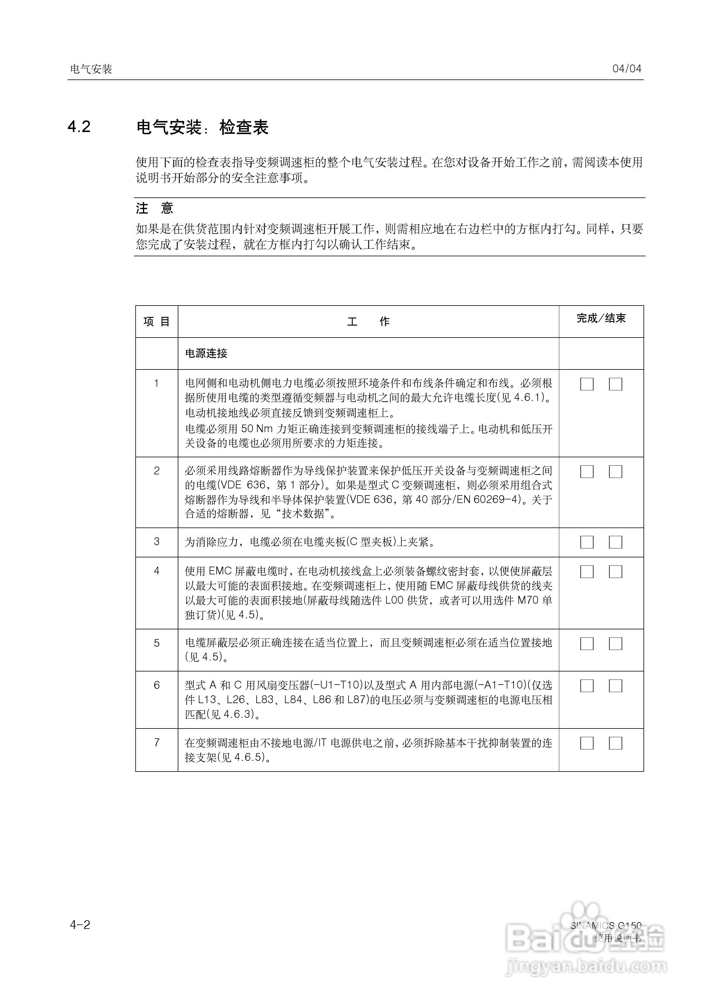
本篇为《西门子变频调速柜SINAMICS G150使用说明书》,主要介绍该产品的使用方法以及常见故障解决方案。

西门子变频调速柜SINAMICS G150使用说明书:[4]

西门子变频调速柜SINAMICS G150使用说明书:[4]

西门子变频调速柜SINAMICS G150使用说明书:[4]

西门子变频调速柜SINAMICS G150使用说明书:[4]

西门子变频调速柜SINAMICS G150使用说明书:[4]

西门子变频调速柜SINAMICS G150使用说明书:[4]

西门子变频调速柜SINAMICS G150使用说明书:[4]

西门子变频调速柜SINAMICS G150使用说明书:[4]

西门子变频调速柜SINAMICS G150使用说明书:[4]

西门子变频调速柜SINAMICS G150使用说明书:[4]

© 2026 智德知识库
信息来自网络 所有数据仅供参考
有疑问请联系站长 site.kefu@gmail.com